ꯁ꯭ꯂꯣꯠ ꯇꯧꯔꯕꯥ ꯄꯥꯟ ꯍꯦꯗ ꯃꯦꯁꯤꯟ ꯁ꯭ꯛꯔꯨ
ꯁ꯭ꯠꯌꯥꯟꯗꯥꯔꯗ: ꯑꯦ.ꯑꯦꯁ.ꯑꯦꯝ.ꯏ.ꯕꯤ ꯱꯸.꯶.꯳.
ꯊ꯭ꯔꯦꯗ ꯃꯈꯜ: ꯑꯀꯪꯕꯥ ꯊ꯭ꯔꯦꯗ / ꯐꯥꯏꯟ ꯊ꯭ꯔꯦꯗ
ꯊ꯭ꯔꯦꯗ ꯂꯦꯡꯗꯅꯥ ꯂꯩꯕꯥ: ꯃꯄꯨꯡ ꯐꯥꯕꯥ ꯊ꯭ꯔꯦꯗ / ꯄꯥꯔꯁꯤꯑꯦꯜ ꯊ꯭ꯔꯦꯗ
ꯄꯣꯠꯂꯝ: ꯁ꯭ꯂꯣꯠ ꯇꯧꯔꯕꯥ ꯄꯥꯟ ꯍꯦꯗ ꯃꯦꯁꯤꯟ ꯁ꯭ꯛꯔꯨ
ꯃꯁꯤꯗꯁꯨ ꯃꯃꯤꯡ ꯊꯣꯅꯈꯤ: ꯄꯥꯟ ꯍꯦꯗ ꯁ꯭ꯂꯣꯠ ꯇꯧꯔꯕꯥ ꯁ꯭ꯛꯔꯨ
ꯃꯆꯥꯛ: ꯀꯥꯔꯕꯣꯟ ꯁ꯭ꯇꯤꯜ .
ꯄ꯭ꯔꯣꯄꯔꯇꯤ ꯀ꯭ꯂꯥꯁ: ꯴.꯶/꯴.꯸, ꯵.꯶, ꯵.꯸, ꯶.꯸, ꯸.꯸, ꯹.꯸, ꯱꯰.꯹, ꯱꯲.꯹.
ꯗꯥꯏꯑꯦꯃꯤꯇꯔ: 0000#, 000#,, 00#, 0#, 1#, 2#, 3#, 4#, 5#, 6#, 7#, 7#, 8#, 10#, 12#, 12#, 14#, 14#③, 1/4, 16#③, ꯲꯰#꯴, ꯲꯴#꯲, ꯳/꯸, ꯷/꯱꯶, ꯱/꯲, ꯹/꯱꯶, ꯵/꯸, ꯳/꯴ 4 4 .
ꯐꯤꯅꯤꯁ: ꯄ꯭ꯂꯦꯟ, ꯕ꯭ꯂꯦꯛ ꯑꯣꯛꯁꯥꯏꯗ, ꯖꯤꯉ꯭ꯛ ꯄ꯭ꯂꯦꯠ, ꯍꯣꯠ ꯗꯤꯞꯄꯤꯡ ꯒ꯭ꯌꯥꯂꯚꯥꯅꯥꯏꯖꯗ, ꯑꯣꯛꯁꯤꯖꯦꯟ, ꯗꯥꯛꯔꯣꯃꯦꯠ, ꯐꯣꯁꯐꯦꯇꯤꯡ, ꯀꯦꯗꯃꯤꯌꯝ ꯏꯂꯦꯛꯠꯔꯣꯞꯂꯦꯠ, ꯅꯤꯀꯜ ꯄ꯭ꯂꯦꯠ ꯇꯧꯕꯥ
ꯍꯦꯗ ꯃꯈꯜ: ꯄꯥꯟ ꯍꯦꯗ
ꯗ꯭ꯔꯥꯏꯚ ꯃꯈꯜ: ꯏꯟꯇꯔꯅꯦꯜ ꯁ꯭ꯂꯣꯠ
ꯑꯦꯝ.ꯑꯣ.ꯀ꯭ꯌꯨ.: ꯱꯰꯰꯰ꯀꯤ.ꯒ꯭ꯔꯥ.
ꯂꯤꯗ ꯇꯥꯏꯝ: ꯅꯨꯃꯤꯠ ꯳꯰ꯗꯒꯤ ꯶꯰ ꯐꯥꯑꯣꯕꯥ
ꯄꯣꯠꯊꯣꯛ ꯄꯨꯊꯣꯀꯄꯥ .
ꯑꯌꯥ ꯐꯥꯁ꯭ꯇꯦꯅꯔꯁ (ꯑꯩꯆ.ꯏ.ꯕꯤ.ꯏ.) ꯀꯣ., ꯂꯤꯃꯤꯇꯦꯗ ꯑꯁꯤ ꯆꯥꯏꯅꯥꯗꯥ ꯂꯩꯕꯥ ꯁ꯭ꯂꯣꯇꯦꯗ ꯄꯦꯟ ꯍꯦꯗ ꯃꯦꯁꯤꯟ ꯁ꯭ꯛꯔꯨꯒꯤ ꯈ꯭ꯕꯥꯏꯗꯒꯤ ꯑꯦꯛꯁꯄꯔꯤꯌꯦꯟꯁ ꯂꯩꯕꯥ ꯃꯦꯟꯌꯨꯐꯦꯀꯆꯔꯔꯁꯤꯡ ꯑꯃꯁꯨꯡ ꯁꯞꯂꯥꯏꯌꯔꯁꯤꯡꯒꯤ ꯃꯔꯛꯇꯥ ꯑꯃꯅꯤ꯫ ꯆꯥꯅꯕꯤꯗꯨꯅꯥ ꯑꯩꯈꯣꯌꯒꯤ ꯐꯦꯛꯇꯔꯤꯗꯒꯤ ꯃꯐꯝ ꯑꯁꯤꯗꯥ ꯆꯥꯏꯅꯥꯗꯥ ꯁꯥꯕꯥ ꯑꯋꯥꯡꯕꯥ ꯊꯥꯛꯀꯤ ꯁ꯭ꯂꯣꯠ ꯄꯦꯟ ꯍꯦꯗ ꯃꯦꯁꯤꯟ ꯁ꯭ꯛꯔꯨ ꯂꯧꯕꯤꯌꯨ꯫ ꯃꯃꯜ ꯀꯟꯁꯂꯇꯦꯁꯅꯒꯤꯗꯃꯛꯇꯥ ꯑꯩꯈꯣꯌꯒꯥ ꯄꯥꯎ ꯐꯥꯑꯣꯅꯕꯤꯌꯨ꯫

ꯀꯁ꯭ꯇꯃꯁ ꯐꯥꯁ꯭ꯇꯦꯅꯤꯡ ꯁꯣꯂꯨꯁꯅꯁꯤꯡꯒꯤ ꯃꯥꯂꯦꯃꯒꯤ ꯑꯣꯏꯕꯥ ꯁꯞꯂꯥꯏꯌꯔ ꯑꯃꯥ ꯑꯣꯏꯅꯥ, ꯑꯦ.ꯋꯥꯏ.ꯑꯦ.ꯒꯤ ꯁꯔꯕꯤꯁ ꯄ꯭ꯔꯣꯁꯦꯁ ꯑꯁꯤꯁꯨ ꯑꯥꯌꯥꯒꯤ ꯄꯣꯠꯊꯣꯀꯁꯤꯡꯒꯥ ꯆꯥꯡꯗꯝꯅꯕꯗꯥ ꯀꯁ꯭ꯇꯃꯔꯁꯤꯡꯒꯥ ꯅꯛꯅꯅꯥ ꯂꯩ꯫ ꯁꯔꯚꯤꯁꯁꯤꯡ ꯑꯁꯤ ꯇꯨꯡ ꯏꯟꯅꯕꯒꯤ ꯃꯊꯧ ꯇꯥꯕꯁꯤꯡ ꯑꯗꯨ ꯐꯣꯡꯗꯣꯀꯄꯗꯒꯤ, ꯑꯦ.ꯋꯥꯏ.ꯑꯦ.ꯅꯥ ꯈꯨꯗꯛꯇꯥ ꯀꯁ꯭ꯇꯃꯔꯁꯤꯡꯅꯥ ꯂꯥꯀꯄꯥ ꯐꯥꯁ꯭ꯇꯦꯅꯤꯡ ꯄ꯭ꯔꯣꯕ꯭ꯂꯦꯝ ꯑꯃꯠꯇꯥ ꯁꯣꯜꯕ ꯇꯧꯕꯗꯥ ꯃꯇꯦꯡ ꯄꯥꯡꯅꯕꯥ, ꯀꯁ꯭ꯇꯃꯔꯁꯤꯡꯒꯤ ꯋꯥꯈꯜ ꯋꯥꯕꯥ ꯑꯗꯨ ꯀꯣꯀꯍꯟꯅꯕꯥ ꯍꯣꯠꯅꯕꯥ ꯑꯃꯠꯇꯥ ꯌꯥꯑꯣꯗꯅꯥ ꯍꯣꯠꯅꯔꯣꯏ꯫
ꯄꯣꯠꯊꯣꯛ ꯑꯁꯤꯒꯤ ꯃꯇꯥꯡꯗꯥ ꯃꯌꯦꯛ ꯁꯦꯡꯅꯥ ꯇꯥꯀꯄꯥ
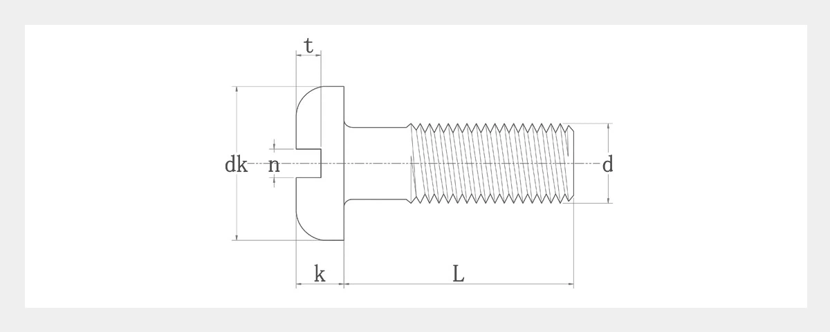
| ꯄꯣꯠꯊꯣꯛꯀꯤ ꯃꯃꯤꯡ | ꯁ꯭ꯂꯣꯠ ꯇꯧꯔꯕꯥ ꯄꯥꯟ ꯍꯦꯗ ꯃꯦꯁꯤꯟ ꯁ꯭ꯛꯔꯨ |
| ꯃꯗꯨꯁꯨ ꯃꯃꯤꯡ ꯊꯣꯅꯈꯤ | ꯄꯥꯟ ꯍꯦꯗ ꯁ꯭ꯂꯣꯠ ꯇꯧꯔꯕꯥ ꯁ꯭ꯛꯔꯨ |
| ꯃꯆꯥꯛ | ꯀꯥꯔꯕꯣꯟ ꯁ꯭ꯇꯤꯜ ꯑꯁꯤ ꯑꯦꯟ. |
| ꯊꯥꯛ | ꯑꯦ.ꯑꯦꯁ.ꯑꯦꯝ.ꯏ.ꯕꯤ.ꯒꯤ ꯱꯸.꯶.꯳. |
| ꯄ꯭ꯔꯣꯄꯔꯇꯤ ꯀ꯭ꯂꯥꯁꯇꯥ ꯂꯩꯕꯥ ꯌꯨ.ꯑꯦꯁ. | 4.8-12.9 |
| ꯗꯥꯏꯃꯦꯠꯔꯤꯛ ꯑꯣꯏꯕꯥ . | 000#④, 000#④, 00#④, 0#, 1#, 2#, 3#, 4#, 5#, 6#, 7#③, 8#, 10#, 12#, 14#③, 1/4, 16#③, 18#③, 5/16, 20#③, 24#③, 3/8, 7/16, 1/2, 9/16④, 5/8④, 3/4④ |
| ꯂꯣꯏꯁꯤꯟꯕ | ꯄ꯭ꯂꯦꯟ, ꯕ꯭ꯂꯦꯛ ꯑꯣꯛꯁꯥꯏꯗ, ꯖꯤꯉ꯭ꯛ ꯄ꯭ꯂꯦꯠ, ꯍꯣꯠ ꯗꯤꯞꯄꯤꯡ ꯒ꯭ꯌꯥꯂꯚꯥꯅꯥꯏꯖꯗ, ꯑꯣꯛꯁꯤꯖꯦꯟ, ꯗꯥꯛꯔꯣꯃꯦꯠ, ꯐꯣꯁꯐꯦꯇꯤꯡ, ꯀꯦꯗꯃꯤꯌꯝ ꯏꯂꯦꯛꯠꯔꯣꯞꯂꯦꯠ, ꯅꯤꯀꯜ ꯄ꯭ꯂꯦꯠ ꯇꯧꯕꯥ |
| ꯍꯦꯗ ꯇꯥꯏꯞ ꯴. | ꯄꯥꯟ ꯍꯦꯗ ꯴. |
| ꯗ꯭ꯔꯥꯏꯕ ꯃꯈꯜ ꯑꯁꯤ . | ꯏꯟꯇꯔꯅꯦꯜ ꯁ꯭ꯂꯣꯠ ꯴. |
| ꯊ꯭ꯔꯦꯗ ꯃꯈꯜ | ꯀꯣꯔꯁ ꯊ꯭ꯔꯦꯗ / ꯐꯥꯏꯟ ꯊ꯭ꯔꯦꯗ . |
| ꯊ꯭ꯔꯦꯗ ꯂꯦꯡꯗꯅꯥ ꯂꯩꯕꯥ | ꯃꯄꯨꯡ ꯐꯥꯕꯥ ꯊ꯭ꯔꯦꯗ / ꯄꯥꯔꯁꯤꯑꯦꯜ ꯊ꯭ꯔꯦꯗ . |
ꯗꯥꯏꯃꯦꯟꯁꯅꯁꯤꯡꯒꯤ ꯇꯦꯕꯜ .




ꯄ꯭ꯔꯗꯛꯇꯀꯤ ꯑꯀꯨꯞꯄꯥ ꯃꯔꯣꯂꯁꯤꯡ

ꯄꯣꯠꯊꯣꯛ ꯑꯁꯤꯒꯤ ꯀꯥꯟꯅꯕꯥ .

ꯁ꯭ꯂꯣꯠ ꯇꯧꯔꯕꯥ ꯄꯥꯟ ꯍꯦꯗ ꯃꯦꯁꯤꯟ ꯁ꯭ꯛꯔꯨꯒꯤ ꯀꯥꯟꯅꯕꯁꯤꯡ
1. ꯀꯔꯤꯒꯨꯝꯕꯥ ꯅꯍꯥꯛꯅꯥ ꯅꯍꯥꯛꯀꯤ ꯄ꯭ꯔꯣꯖꯦꯛꯇꯀꯤꯗꯃꯛꯇꯥ ꯍꯦꯟꯗ-ꯗ꯭ꯔꯥꯏꯚꯟ ꯇꯨꯂꯁꯤꯡ ꯁꯤꯖꯤꯟꯅꯕꯥ ꯃꯊꯧ ꯇꯥꯔꯕꯗꯤ, ꯅꯍꯥꯛꯅꯥ ꯁ꯭ꯂꯣꯠ ꯇꯧꯔꯕꯥ ꯁ꯭ꯛꯔꯨꯁꯤꯡ ꯑꯁꯤ ꯁꯤꯖꯤꯟꯅꯕꯥ ꯌꯥꯒꯅꯤ꯫
2. ꯈꯔꯥ ꯗꯣꯝ ꯑꯃꯁꯨꯡ ꯐ꯭ꯂꯦꯠ ꯄ꯭ꯔꯣꯐꯥꯏꯜ ꯑꯁꯤꯅꯥ ꯇꯣꯉꯥꯟ ꯇꯣꯉꯥꯅꯕꯥ ꯗꯦꯀꯣꯔꯦꯇꯦꯗ ꯑꯦꯞꯂꯤꯀꯦꯁꯅꯁꯤꯡꯒꯤꯗꯃꯛ ꯀ꯭ꯕꯥꯂꯤꯇꯤ ꯐꯤꯅꯤꯁ ꯑꯃꯥ ꯁꯣꯌꯗꯅꯥ ꯐꯪꯍꯜꯂꯤ꯫ ꯃꯁꯤꯅꯥ ꯁ꯭ꯛꯔꯨ ꯍꯦꯗ ꯑꯗꯨ ꯂꯧꯕꯒꯤ ꯄꯣꯇꯦꯟꯁꯤꯑꯦꯜ ꯑꯗꯨ ꯍꯟꯊꯍꯜꯂꯤ꯫
3. ꯁ꯭ꯛꯔꯨꯁꯤꯡ ꯑꯁꯤꯅꯥ ꯑꯦꯁ꯭ꯇꯦꯇꯤꯛ ꯑꯃꯁꯨꯡ ꯁꯦꯐꯇꯤꯒꯤ ꯄꯥꯟꯗꯃꯁꯤꯡꯒꯤꯗꯃꯛꯇꯥ ꯈꯔꯥ ꯄꯣꯏꯟꯇ ꯑꯣꯏꯕꯥ ꯑꯦꯖ ꯑꯃꯥ ꯂꯩ꯫
꯴.ꯑꯌꯥ ꯐꯥꯁ꯭ꯇꯦꯅꯔꯁꯤꯡꯅꯥ ꯄꯥꯟ ꯍꯦꯗ ꯁ꯭ꯛꯔꯨꯁꯤꯡꯗꯥ ꯃꯒꯨꯟ ꯂꯩꯕꯥ ꯐꯤꯅꯤꯁ ꯑꯃꯥ ꯄꯤꯔꯤ, ꯃꯗꯨ ꯐꯖꯅꯥ ꯂꯣꯏꯁꯤꯅꯗꯦ꯫
꯵.ꯑꯌꯥꯅꯥ ꯑꯗꯣꯃꯒꯤ ꯐꯥꯁ꯭ꯇꯦꯅꯔꯁꯤꯡ ꯑꯗꯨ ꯊꯦꯡꯊꯕꯥ ꯑꯃꯠꯇꯥ ꯌꯥꯑꯣꯗꯅꯥ ꯌꯧꯍꯅꯕꯥ ꯉꯃꯒꯅꯤ꯫
ꯀ꯭ꯕꯥꯂꯤꯇꯤ ꯏꯟꯁꯄꯦꯛꯁꯟ ꯇꯧꯕꯥ

ꯄꯦꯀꯦꯖꯤꯡ ꯑꯃꯁꯨꯡ ꯀꯟꯇꯦꯅꯔ ꯂꯣꯗꯤꯡ ꯇꯧꯕꯥ

ꯁꯤꯖꯤꯟꯅꯕꯒꯤ ꯁꯤꯅꯥꯔꯤꯑꯣꯁꯤꯡ .

ꯀꯔꯤꯒꯤ ꯑꯌꯥ?
ꯑꯦ.ꯋꯥꯏ.ꯑꯦ.ꯅꯥ ꯆꯍꯤ ꯈꯨꯗꯤꯡꯒꯤ ꯃꯥꯂꯦꯝ ꯄꯨꯝꯕꯗꯒꯤ 1000+ ꯃꯦꯝꯕꯔꯁꯤꯡꯗꯥ ꯑꯦꯛꯁꯛꯂꯨꯁꯤꯕ ꯁꯔꯕꯤꯁꯁꯤꯡ ꯄꯤꯔꯤ, ꯑꯈꯟꯅꯕꯥ ꯆꯦꯟ ꯁꯔꯚꯤꯁ ꯁꯣꯂꯨꯁꯟ ꯁꯤꯁ꯭ꯇꯦꯝ ꯑꯃꯥ ꯂꯩꯔꯒꯥ, ꯑꯗꯣꯝꯅꯥ ꯑꯦꯛꯁꯛꯂꯨꯁꯤꯕ ꯐꯥꯁ꯭ꯇꯦꯅꯤꯡ ꯁꯣꯂꯨꯁꯅꯁꯤꯡ ꯐꯪꯅꯕꯥ ꯑꯃꯁꯨꯡ-ꯗꯣꯔ ꯁꯔꯚꯤꯁꯁꯤꯡꯗꯥ ꯗꯣꯔ- ꯅꯨꯡꯉꯥꯏꯅꯕꯥ ꯃꯥꯎꯁ ꯑꯗꯨ ꯀ꯭ꯂꯤꯛ ꯇꯧꯕꯥ ꯈꯛꯇꯃꯛ ꯃꯊꯧ ꯇꯥꯏ꯫
ꯍꯠ ꯇꯦꯒꯁ: ꯁ꯭ꯂꯣꯇꯦꯗ ꯄꯥꯟ ꯍꯦꯗ ꯃꯦꯁꯤꯟ ꯁ꯭ꯛꯔꯨ, ꯆꯥꯏꯅꯥ, ꯁꯞꯂꯥꯏꯌꯔꯁꯤꯡ, ꯃꯦꯟꯌꯨꯐꯦꯀꯆꯔꯔꯁꯤꯡ, ꯐꯦꯛꯇꯔꯤ, ꯌꯣꯅꯕꯥ, ꯃꯃꯜ, ꯌꯣꯅꯕꯥ, ꯆꯥꯏꯅꯥꯗꯥ ꯁꯥꯕꯥ













